
Photo of an original Mini USB Adapter
|
This board converts a USB connection into 5 volt TX and RX that you can connect straight to the Arduino Mini or other microcontrollers, allowing them to talk to the computer. It is based on the FT232RL chip from FTDI (drivers are included with the Arduino software).

Pinout of the original Mini USB Adapter

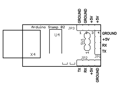
Pinout of the revised Mini USB Adapter
See the guide to the Arduino Mini for information on connecting the adapter to the Mini.