Loading...

Learning   Examples | Foundations | Hacking | Links

Examples > Ethernet Library

Pachube Client using Strings

This example shows you how to answer a HTTP request using an Ethernet shield. Specifically, it connects to pachube.com, a free datalogging site. The example requires that you set up a pachube.com account, as well as a pachube feed (for more information on setting up an input feed, please click here). Your Ethernet shield will then connect to that feed and upload sensor data every 10 seconds.

Additionally, this example shows how to send sensor data as a string.

Hardware Required

  • Arduino Ethernet Shield or Arduino Ethernet board
  • Shield-compatible Arduino board
  • Two analog sensors to attached to the Ethernet Shield

Software Required

Circuit

The Ethernet shield allows you to connect a WizNet Ethernet controller to the Arduino via the SPI bus. It uses pins 10, 11, 12, and 13 for the SPI connection to the WizNet. Later models of the Ethernet shield also have an SD Card on board. Digital pin 4 is used to control the slave select pin on the SD card.

The shield should be connected to a network with an ethernet cable. You will need to change the network settings in the program to correspond to your network.

image developed using Fritzing. For more circuit examples, see the Fritzing project page

In the above image, your Arduino would be stacked below the Ethernet shield. Or you could use an Arduino Ethernet board.

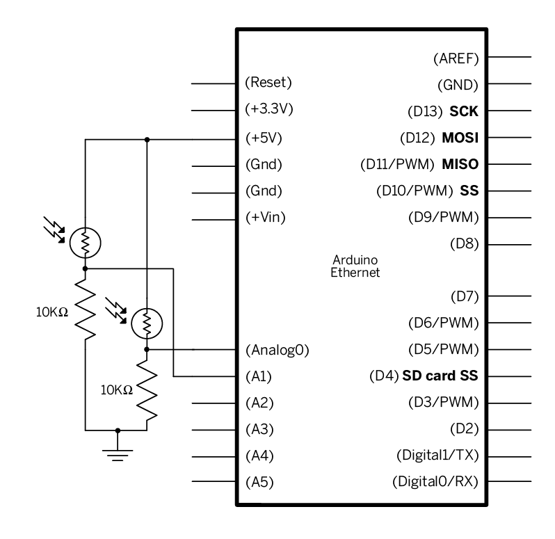
Schematic

Pictured: One CDS photocells with a 10k ohm pull down resistor on analog pin 0.

Code

/*
  Pachube sensor client with Strings

 This sketch connects an analog sensor to Pachube (http://www.pachube.com)
 using a Wiznet Ethernet shield. You can use the Arduino Ethernet shield, or
 the Adafruit Ethernet shield, either one will work, as long as it's got
 a Wiznet Ethernet module on board.

 This example has been updated to use version 2.0 of the pachube.com API.
 To make it work, create a feed with two datastreams, and give them the IDs
 sensor1 and sensor2. Or change the code below to match your feed.

 This example uses the String library, which is part of the Arduino core from
 version 0019.  

 Circuit:
 * Analog sensor attached to analog in 0
 * Ethernet shield attached to pins 10, 11, 12, 13

 created 15 March 2010
 modified 9 Apr 2012
 by Tom Igoe with input from Usman Haque and Joe Saavedra
 modified 8 September 2012
 by Scott Fitzgerald

 http://arduino.cc/en/Tutorial/PachubeClientString
 This code is in the public domain.

 */


#include <SPI.h>
#include <Ethernet.h>


/#define APIKEY         "YOUR API KEY GOES HERE" // replace your Pachube api key here
#define FEEDID         00000 // replace your feed ID
#define USERAGENT      "My Project" // user agent is the project name


// assign a MAC address for the ethernet controller.
// fill in your address here:
  byte mac[] = {
  0xDE, 0xAD, 0xBE, 0xEF, 0xFE, 0xED};

// fill in an available IP address on your network here,
// for manual configuration:
IPAddress ip(10,0,1,20);

// initialize the library instance:
EthernetClient client;

// if you don't want to use DNS (and reduce your sketch size)
// use the numeric IP instead of the name for the server:
IPAddress server(216,52,233,121);      // numeric IP for api.pachube.com
//char server[] = "api.pachube.com";   // name address for pachube API

unsigned long lastConnectionTime = 0;          // last time you connected to the server, in milliseconds
boolean lastConnected = false;                 // state of the connection last time through the main loop
const unsigned long postingInterval = 10*1000;  //delay between updates to pachube.com

void setup() {
 // Open serial communications and wait for port to open:
  Serial.begin(9600);
  while (!Serial) {
    ; // wait for serial port to connect. Needed for Leonardo only
  }


  // give the ethernet module time to boot up:
  delay(1000);
  // start the Ethernet connection:
  if (Ethernet.begin(mac) == 0) {
    Serial.println("Failed to configure Ethernet using DHCP");
    // DHCP failed, so use a fixed IP address:
    Ethernet.begin(mac, ip);
  }
}

void loop() {
  // read the analog sensor:
  int sensorReading = analogRead(A0);  
  // convert the data to a String to send it:

  String dataString = "sensor1,";
  dataString += sensorReading;

  // you can append multiple readings to this String if your
  // pachube feed is set up to handle multiple values:
  int otherSensorReading = analogRead(A1);
  dataString += "\nsensor2,";
  dataString += otherSensorReading;

  // if there's incoming data from the net connection.
  // send it out the serial port.  This is for debugging
  // purposes only:
  if (client.available()) {
    char c = client.read();
    Serial.print(c);
  }

  // if there's no net connection, but there was one last time
  // through the loop, then stop the client:
  if (!client.connected() && lastConnected) {
    Serial.println();
    Serial.println("disconnecting.");
    client.stop();
  }

  // if you're not connected, and ten seconds have passed since
  // your last connection, then connect again and send data:
  if(!client.connected() && (millis() - lastConnectionTime > postingInterval)) {
    sendData(dataString);
  }
  // store the state of the connection for next time through
  // the loop:
  lastConnected = client.connected();
}

// this method makes a HTTP connection to the server:
void sendData(String thisData) {
  // if there's a successful connection:
  if (client.connect(server, 80)) {
    Serial.println("connecting...");
    // send the HTTP PUT request:
    client.print("PUT /v2/feeds/");
    client.print(FEEDID);
    client.println(".csv HTTP/1.1");
    client.println("Host: api.pachube.com");
    client.print("X-pachubeApiKey: ");
    client.println(APIKEY);
    client.print("User-Agent: ");
    client.println(USERAGENT);
    client.print("Content-Length: ");
    client.println(thisData.length());

    // last pieces of the HTTP PUT request:
    client.println("Content-Type: text/csv");
    client.println("Connection: close");
    client.println();

    // here's the actual content of the PUT request:
    client.println(thisData);
  }
  else {
    // if you couldn't make a connection:
    Serial.println("connection failed");
    Serial.println();
    Serial.println("disconnecting.");
    client.stop();
  }
  // note the time that the connection was made or attempted:
  lastConnectionTime = millis();
}

See Also:




Bookmark and Share