Multiplex een LED display aansturen

Omschrijving

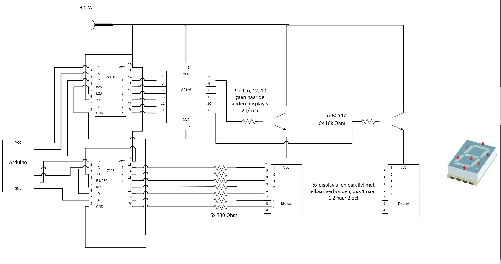
Al een tijd zit ik met de gedachte te spelen om een ‘ouderwets’ LED display aan te sturen met de Arduino. Dit zal dan via multiplexing moeten gaan, een voor een 1 cijfer tonen, dat heel snel achter elkaar zodat het lijkt alsof ze allemaal aanstaan. Ik maak gebruik van een 7447 (7 segment driver IC) en een 74138 (3 line to 8 line decoder) om de 6 display’s aan te sturen met 3 draden. En een hulp IC 7404 (hex inverter), 6 tal NPN transistors en wat weerstanden.

Op zich een simpel project, niet perfect werkend, maar het gaat mij om de techniek erachter, kan ik maken wat ik in mijn hoofd heb?

Als test project een thermometer
Het is hierop 27,43 graden Celsius
Aansluit schema / Pinouts
Downloads