Loading...

Hardware Index

A reference to past and present Arduino boards, shields and accessories.

Arduino USB

There have been many revisions of the USB Arduino board, including the Extreme, NG, and Diecimila.


Arduino Uno

This is the latest revision of the basic Arduino USB board. It connects to the computer with a standard USB cable and contains everything else you need to program and use the board. It can be extended with a variety of shields: custom daughter-boards with specific features. It is similar to the Duemilanove, but has a different USB-to-serial chip the ATMega8U2, and newly designed labeling to make inputs and outputs easier to identify.

more »

Arduino Duemilanove

The Duemilanove automatically selects the appropriate power supply (USB or external power), eliminating the need for the power selection jumper found on previous boards. It also adds an easiest to cut trace for disabling the auto-reset, along with a solder jumper for re-enabling it.

Note: around March 1st, 2009, the Duemilanove started to ship with the ATmega328p instead of the ATmega168.

more »


Arduino Diecimila

The main change in the Arduino Diecimila is that it can be reset from the computer, without the need to physically press the reset button on the board. The Diecimila uses a low dropout voltage regulator which lowers the board's power consumption when powered by an external supply (AC/DC adapter or battery). A resettable polyfuse protects your computer's USB ports from shorts and surges. It also provides pin headers for the reset line and for 3.3V. There is a built-in LED on pin 13. Some blue Diecimila boards say "Prototype - Limited Edition" but are in fact fully-tested production boards (the actual prototypes are red). more »


Arduino NG Rev. C

Revision C of the Arduino NG does not have a built-in LED on pin 13 - instead you'll see two small unused solder pads near the labels "GND" and "13". There is, however, about 1000 ohms of resistance on pin 13, so you can connect an LED without external resistor. (schematic)


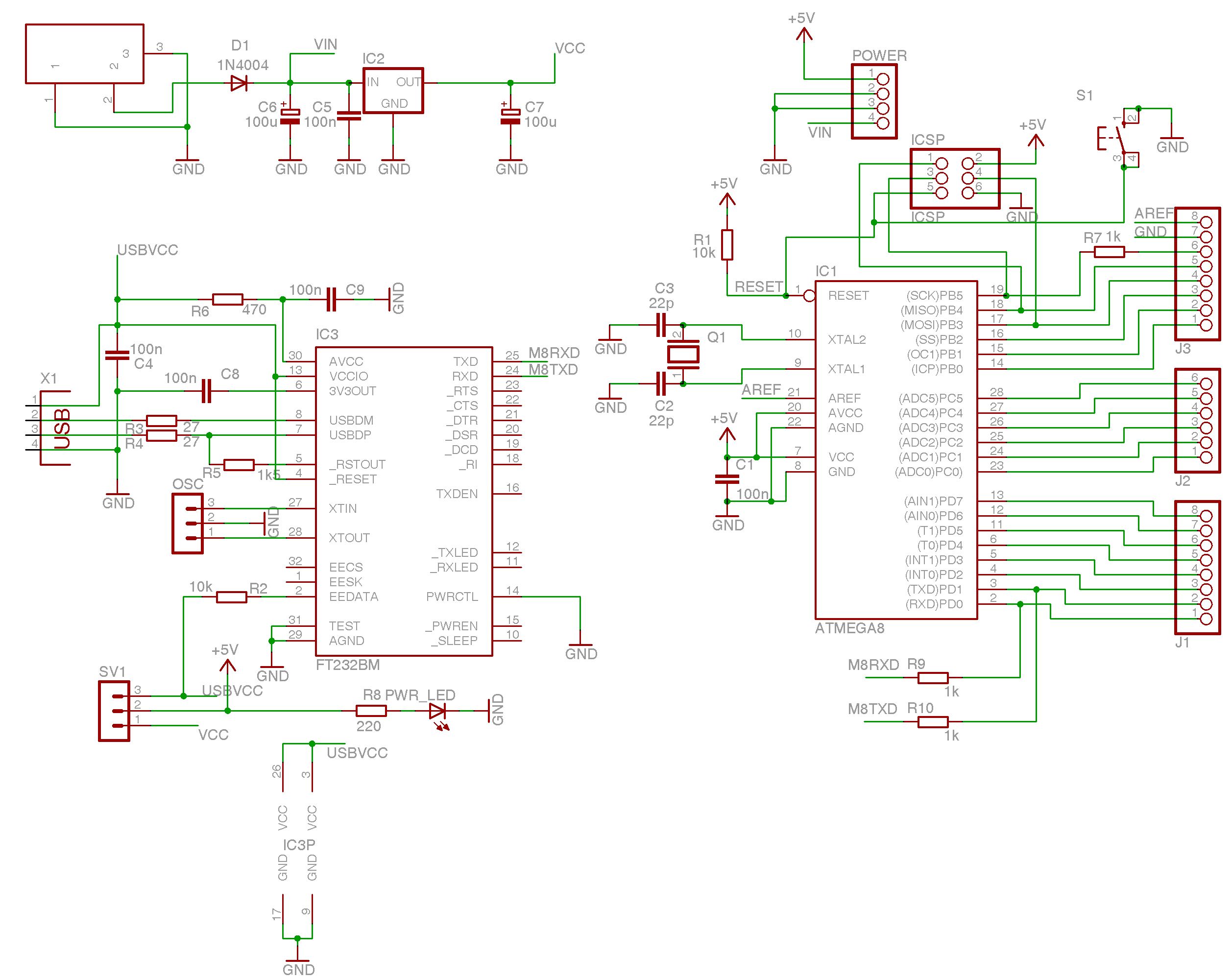
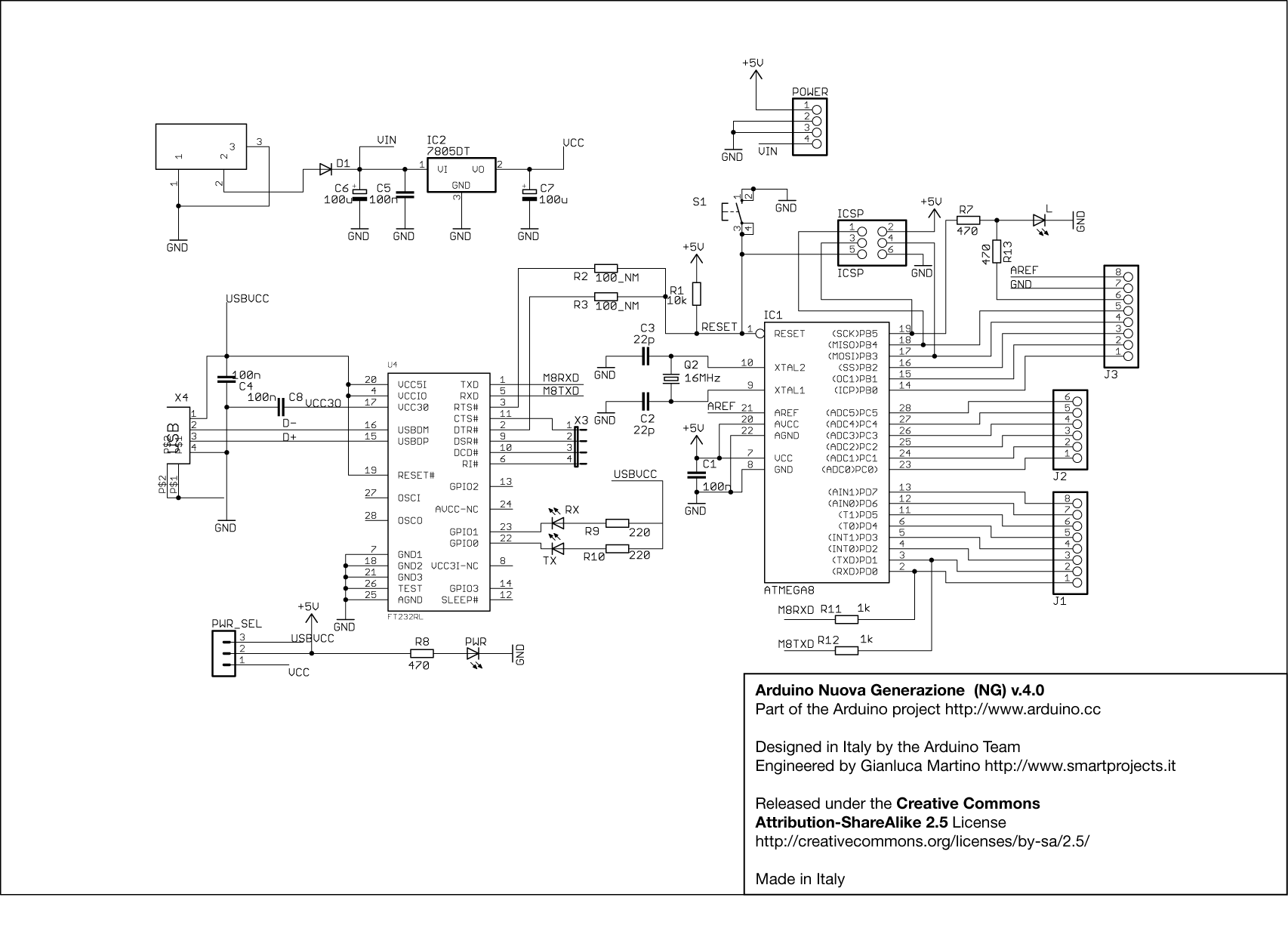
Arduino NG (Nuova Generazione)

The Arduino NG uses the FTDI FT232RL USB-to-Serial converter, which requires fewer external components that the FT232BM. It also has a built-in LED on pin 13 (which may interfere with SPI communication). Later NG's shipped with an ATmega168 instead of an ATmega8, though either chip can be used with any board. (schematic)


Arduino Extreme v2

Version 2 of the Arduino Extreme uses a gridded ground plane and includes the new "www.arduino.cc" URL.


Arduino Extreme

The Arduino Extreme uses many more surface mount components than previous USB Arduino boards and comes with female pin headers. It also has RX and TX LEDs that indicate when data is being sent to or from the board.


Arduino USB v2.0

The second version of the Arduino USB corrected the USB connector pinout and updated the URL to "arduino.berlios.de"; it was labelled "Arduino USB v2.0". (Eagle files, schematic, assembly instructions, photo of an assembled board)


Arduino USB

The Arduino USB was the first board labelled "Arduino". These were mainly sold unassembled as kits. The first version had an incorrect pinout for the USB connector and had the URL "www.potemkin.org".


Arduino Serial

The serial versions of the Arduino board are primarily sold unassembled as kits or just PCBs. more »


Arduino Serial v2.0

A revised version of the serial board with the URL "arduino.berlios.de".


Arduino Serial

The original version of the Arduino serial board. Includes the url "www.potemkin.org".


Arduino Single-Sided Serial

This version of the Arduino serial board has traces on only one side, making it easy to produce by hand. It is not manufactured, but rather published on the Arduino website for people to make themselves.

Severino (S3V3)

This is the third version of the single-sided board. It has fewer bridges (three) than the original and includes TX, RX, and pin 13 LEDs. The ICSP and power headers are compatible with the Diecimila. more »

Original

The initial design of the single-sided board (labeled version 2 because it was derived from v. 2 of the serial board). Requires six bridges. Has a 1K resistor (but no LED) on pin 13. The ICSP header location is not compatible with other boards. more »

Arduino Shields

Shields are boards to be mounted on top of the Arduino board and that extend the functionality of Arduino to control different devices, acquire data, etc.

Ethernet Shield - This shield allows an Arduino board to connect to the internet. Currently available

Wireless Shield - This shield enables the Arduino to communicate using wireless radios such as Xbees. This the shield also has an SD slot. Currently available

Wireless Proto Shield - This shield enables the Arduino to communicate using wireless radios such as Xbees and has a large area for building circuits. Currently available

Arduino Xbee Shield - The original Wireless shield for Xbees. No longer available

Arduino Motor Shield R3 - This shield allows you to drive two DC motors, controlling speed and direction. The shield is TinkerKit compatible. Currently available

Motor Shield - This shield allows an Arduino board to control DC motors and read encoders. No longer available

Arduino Proto Shield - This shield provides space for building custom circuits. Currently available

Arduino Mega

A larger, more powerful Arduino board. Has extra digital pins, PWM pins, analog inputs, serial ports, etc.


Arduino Mega 2560

The version of the Mega released with the Uno, this version features the Atmega2560, which has twice the memory, and uses the ATMega 8U2 for USB-to-serial communication. more »


Arduino Mega

The original Arduino Mega has an ATmega1280 and an FTDI USB-to-serial chip. more »


Arduino Fio

An Arduino intended for use as a wireless node. Has a header for an XBee radio, a connector for a LiPo battery, and a battery charging circuit. more »


LilyPad Arduino

A stripped-down, circular Arduino board designed for stitching into clothing and other fabric/flexible applications. Needs an additional adapter to communicate with a computer. more »


LilyPad Arduino 04

This revision uses the ATmega328V instead of the ATmega168V. All other detials are identical to version 03.

LilyPad Arduino 03

This revision has a 6-pin programming header that's compatible with FTDI USB cables and the Sparkfun FTDI Basic Breakout. It adds support for automatic reset, allowing sketches to be uploaded without pressing the reset button on the board. The header is surface mounted, meaning that the board has no pokey bits sticking out the back.


LilyPad Arduino 02

The second revision includes an external 8mhz oscillator. The bootloader has also been updated to Limor Fried's "no wait" bootloader. When the LilyPad is supplied with power, the sketch starts immediately. The bootloader is triggered only when the reset switch is pressed. (schematic, EAGLE files)


LilyPad Arduino 01

In the first revision of the LilyPad Arduino the 10-pin ICSP header was changed to a 6-pin ICSP header and a four pin header w/ RX, TX, +5V, and GND was added.


LilyPad Arduino 00

The initial design of the Arduino LilyPad had a 10-pin ICSP header and used the internal clock on the ATmega168 rather than an external oscillator. The bootloader on the initial design is the traditional NG bootloader.


Arduino BT

The Arduino BT contains an integrated bluetooth module for wireless communication. more »


Arduino Nano

The Arduino Nano is an all-in-one, compact design for use in breadboards. more »


Arduino Nano 3.0

The Arduino Nano 3.0 has an ATmega328 and a two-layer PCB. The power LED moved to the top of the board.


Arduino Nano 2.x

The Arduino Nano 2.x boards have an ATmega168 and a four-layer PCB.


Arduino Mini

The Mini is a compact Arduino board. more »


Arduino Mini 04

On this version of the Arduino Mini, two of the pins changed. The third pin became reset (instead of ground) and fourth pin became ground (instead of being unconnected). These boards are labelled "Mini 04".


Arduino Mini 03

On this board, a solder point for digital pin 7 was added to the edge of the board (next to the solder points for TX, RX, +5V, and Ground). Each of the pins is numbered and the board is labelled "Mini 03".


Arduino Stamp 02

The initial production version of the Arduino Mini was labelled "Stamp 02".


Mini USB Adapter

Technically, this isn't an "Arduino board" since it doesn't have a microcontroller. Instead, it's an adapter that provides the Arduino Mini with a USB connection.


Mini USB Adapter 03

This version of the Mini USB Adapter breaks out many more pins of the FTDI USB-to-serial chip. It is labeled "USB Mini 03".


Mini USB Adapter

The original Mini USB Adapter was labelled "Arduino Stamp 02".




Bookmark and Share