Loading...

BBCC Schematics

AD595 Schematic

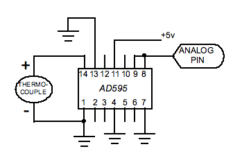
AD595The AD595 is a thermocouple amplifier that outputs thermocouple data at 10mV/degC. Standard connection for the BBCC is to analog pin 1. Here is the manufacturer's info page. The diagram appears to show the thermocouple hooked up backward. My experience, and the datasheet, show that + goes to pin 1, - to pin 14. Ground still goes to pin 1.

Solid State Relay (SSR)

SSRThe SSR is basically replaces the Silvia's brew thermostat. The wires are typically removed from the stock thermostat and connected to the top terminals on the SSR using "quick disconnect" connectors. Here is the model I used.

Sparkfun Serial LCD

LCDThe interface for the LCD isn't completely worked out. When it is, a schematic that includes control buttons will replace this one. Here is one model on the Sparkfun web site.

Schematics by Karl Gruenewald, Feb 2008.