Loading...

DS1302 Real Time Clock

The DS1302 is a Real Time Clock (RTC) or TimeKeeping Chip with a build-in Trickle-Charger.

The page at maxim for the DS1302 with all information and datasheet: http://www.maxim-ic.com/datasheet/index.mvp/id/2685

For other programs and Real Time Clock chips, see the Time-section in the Playground index.


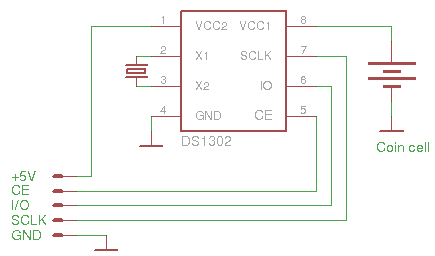
Connect it to the Arduino

The DS1302 can be easily connected to the Arduino. Three pins are needed for the interface (CE, I/O, SCLK), and Vcc2 should be connected to +5V (or +3.3V). The Vcc1 is for a battery or a rechargable battery or a supercap.
A crystal of 32.768kHz should be connected to X1 and X2.

The DS1302 will run with a voltage from 2.0V to 5.5V.

The three pins for the interface should avoid to use the internal pull-up resistors of the Arduino. The DS1302 has internal pull-down resistors, and the CE and SCLK lines should be low when inactive.

Some schematics on the internet have pull-up resistors on the three interface lines. That is totally wrong. Other schematics use two 22pF with the crystal. That is also totally wrong.


Interfacing the DS1302

The DS1302 uses three lines (CE, I/O, SCLK). It is not I2C, it's not OneWire, and it is not SPI. The most used name is "3-wire interface".

The communication is straight forward, with one strange thing:

If a byte is read, the addres is written first. The last clock pulse of the address (using the rising edge) is also the first clock pulse of the data to read (using the falling edge). So the code has to detect that condition to prevent an extra clock pulse.


Reading valid clock data.

During reading, the clock could rollover. That would result in bad clock data. To prevent that, the DS1302 has a buffer to store the clock data. That buffer can be read in a single communication session, called a "burst" mode.

Any valid program should therefor use that "burst" mode to read the clock data.

The Year data of the DS1302 is only two digits (0-99). The Year '0' is 2000, and not 1970 or 1980. It has a Leap-Year compensation from 2000 up to 2099 (for a value of 0-99).


Ram

The chip has 31 bytes of ram. The data in this ram will get lost if the Arduino is off, and the battery (or supercap) gets empty.
To store data, the EEPROM section of the AVR chip (the microprocessor used in the Arduino) is a much better choice.


Code

The standard date and time functions like: strftime(), timelocal(), getdate(), mktime() are not available for the Arduino environment. Arduino uses the AVR GCC compiler which has no such functions.
At this moment (2012) there is no official library for date and time functions for the Arduino.

The most used date and time functions for the Arduino : http://playground.arduino.cc/Code/time

For the name of a month, this page contains many languages: http://www.omniglot.com/language/time/months.htm

The code below contains basic interface functions for the DS1302.

By using a structure with bit fields, reading and writing the clock data is very simple.

The code below uses the European 24-hour format.

The size of the sketch is about 5k.

// DS1302 RTC
// ----------
//
// By arduino.cc user "Krodal".
// June 2012
// Open Source / Public Domain
//
// Using Arduino 1.0.1
//
// Documentation: datasheet
//
//
// The DS1302 uses a 3-wire interface:
//    - bidirectional data.
//    - clock
//    - chip select
// It is not I2C, not OneWire, and not SPI.
// So the standard libraries can not be used.
// Even the shiftOut() function is not used, since it
// could be too fast (it might be slow enough,
// but that's not certain).
//
// I wrote my own interface code according to the datasheet.
// Any three pins of the Arduino can be used.
//   See the first defines below this comment,
//   to set your own pins.
//
// The "Chip Enable" pin was called "/Reset" before.
//
// The chip has internal pull-down registers.
// This keeps the chip disabled, even if the pins of
// the Arduino are floating.
//
//
// Range
// -----
//      seconds : 00-59
//      minutes : 00-59
//      hour    : 1-12 or 0-23
//      date    : 1-31
//      month   : 1-12
//      day     : 1-7
//      year    : 00-99
//
//
// Burst mode
// ----------
// In burst mode, all the clock data is read at once.
// This is to prevent a rollover of a digit during reading.
// The read data is from an internal buffer.
//
// The burst registers are commands, rather than addresses.
// Clock Data Read in Burst Mode
//    Start by writing 0xBF (as the address),
//    after that: read clock data
// Clock Data Write in Burst Mode
//    Start by writing 0xBE (as the address),
//    after that: write clock data
// Ram Data Read in Burst Mode
//    Start by writing 0xFF (as the address),
//    after that: read ram data
// Ram Data Write in Burst Mode
//    Start by writing 0xFE (as the address),
//    after that: write ram data
//
//
// Ram
// ---
// The DS1302 has 31 of ram, which can be used to store data.
// The contents will be lost if the Arduino is off,
// and the backup battery gets empty.
// It is better to store data in the EEPROM of the Arduino.
// The burst read or burst write for ram is not implemented
// in this code.
//
//
// Trickle charge
// --------------
// The DS1302 has a build-in trickle charger.
// That can be used for example with a lithium battery
// or a supercap.
// Using the trickle charger has not been implemented
// in this code.
//


// Set your own pins with these defines !
#define DS1302_SCLK 6    // Arduino pin for the Serial Clock
#define DS1302_IO   7    // Arduino pin for the Data I/O
#define DS1302_CE   8    // Arduino pin for the Chip Enable



// Register names.
// Since the highest bit is always '1',
// the registers start at 0x80
// If the register is read, the lowest bit should be '1'.
#define DS1302_SECONDS           0x80
#define DS1302_MINUTES           0x82
#define DS1302_HOURS             0x84
#define DS1302_DATE              0x86
#define DS1302_MONTH             0x88
#define DS1302_DAY               0x8A
#define DS1302_YEAR              0x8C
#define DS1302_ENABLE            0x8E
#define DS1302_TRICKLE           0x90
#define DS1302_CLOCK_BURST       0xBE
#define DS1302_CLOCK_BURST_WRITE 0xBE
#define DS1302_CLOCK_BURST_READ  0xBF
#define DS1302_RAMSTART          0xC0
#define DS1302_RAMEND            0xFC
#define DS1302_RAM_BURST         0xFE
#define DS1302_RAM_BURST_WRITE   0xFE
#define DS1302_RAM_BURST_READ    0xFF



// Defines for the bits, to be able to change
// between bit number and binary definition.
// By using the bit number, using the DS1302
// is like programming an AVR microcontroller.
// But instead of using "(1<<X)", or "_BV(X)",
// the Arduino "bit(X)" is used.
#define DS1302_D0 0
#define DS1302_D1 1
#define DS1302_D2 2
#define DS1302_D3 3
#define DS1302_D4 4
#define DS1302_D5 5
#define DS1302_D6 6
#define DS1302_D7 7


// Bit for reading (bit in address)
#define DS1302_READBIT DS1302_D0 // READBIT=1: read instruction

// Bit for clock (0) or ram (1) area,
// called R/C-bit (bit in address)
#define DS1302_RC DS1302_D6

// Seconds Register
#define DS1302_CH DS1302_D7   // 1 = Clock Halt, 0 = start

// Hour Register
#define DS1302_AM_PM DS1302_D5 // 0 = AM, 1 = PM
#define DS1302_12_24 DS1302 D7 // 0 = 24 hour, 1 = 12 hour

// Enable Register
#define DS1302_WP DS1302_D7   // 1 = Write Protect, 0 = enabled

// Trickle Register
#define DS1302_ROUT0 DS1302_D0
#define DS1302_ROUT1 DS1302_D1
#define DS1302_DS0   DS1302_D2
#define DS1302_DS1   DS1302_D2
#define DS1302_TCS0  DS1302_D4
#define DS1302_TCS1  DS1302_D5
#define DS1302_TCS2  DS1302_D6
#define DS1302_TCS3  DS1302_D7


// Structure for the first 8 registers.
// These 8 bytes can be read at once with
// the 'clock burst' command.
// Note that this structure contains an anonymous union.
// It might cause a problem on other compilers.
typedef struct ds1302_struct
{
  uint8_t Seconds:4;      // low decimal digit 0-9
  uint8_t Seconds10:3;    // high decimal digit 0-5
  uint8_t CH:1;           // CH = Clock Halt
  uint8_t Minutes:4;
  uint8_t Minutes10:3;
  uint8_t reserved1:1;
  union
  {
    struct
    {
      uint8_t Hour:4;
      uint8_t Hour10:2;
      uint8_t reserved2:1;
      uint8_t hour_12_24:1; // 0 for 24 hour format
    } h24;
    struct
    {
      uint8_t Hour:4;
      uint8_t Hour10:1;
      uint8_t AM_PM:1;      // 0 for AM, 1 for PM
      uint8_t reserved2:1;
      uint8_t hour_12_24:1; // 1 for 12 hour format
    } h12;
  };
  uint8_t Date:4;
  uint8_t Date10:2;
  uint8_t reserved3:2;
  uint8_t Month:4;
  uint8_t Month10:1;
  uint8_t reserved4:3;
  uint8_t Day:3;
  uint8_t reserved5:5;
  uint8_t Year:4;
  uint8_t Year10:4;
  uint8_t reserved6:7;
  uint8_t WP:1;             // WP = Write Protect
};


void setup()
{      
  ds1302_struct rtc;


  Serial.begin(9600);
  Serial.println(F("DS1302 Real Time Clock"));
  Serial.println(F("June 2012"));


  // Start by clearing the Write Protect bit
  // Otherwise the clock data cannot be written
  // The whole register is written,
  // but the WP-bit is the only bit in that register.
  DS1302_write (DS1302_ENABLE, 0);

  // Disable Trickle Charger.
  DS1302_write (DS1302_TRICKLE, 0x00);

// Remove the next define,
// after the right date and time are set.
#define SET_DATE_TIME_JUST_ONCE
#ifdef SET_DATE_TIME_JUST_ONCE  
  // Set a time and date
  // This also clears the CH (Clock Halt) bit,
  // to start the clock.

  // Fill the structure with zeros to make
  // any unused bits zero
  memset ((char *) &rtc, 0, sizeof(rtc));

  rtc.Seconds = 0;
  rtc.Seconds10 = 0;
  rtc.CH = 0;        // 1 for Clock Halt, 0 to run;
  rtc.Minutes = 5;
  rtc.Minutes10 = 1;
  rtc.h24.Hour = 0;
  rtc.h24.Hour10 = 1;
  rtc.h24.hour_12_24 = 0; // 0 for 24 hour format
  rtc.Date = 8;
  rtc.Date10 = 0;
  rtc.Month = 6;
  rtc.Month10 = 0;
  rtc.Day = 6;
  rtc.Year = 2;
  rtc.Year10 = 1;
  rtc.WP = 0;  

  // Write all clock data at once (burst mode).
  DS1302_clock_burst_write( (uint8_t *) &rtc);
#endif
}


void loop()
{
  ds1302_struct rtc;
  char buffer[80];     // the code uses 70 characters.

  // Read all clock data at once (burst mode).
  DS1302_clock_burst_read( (uint8_t *) &rtc);

  sprintf(buffer, "Time = %02d:%02d:%02d, ", \
    (rtc.h24.Hour10 * 10) + rtc.h24.Hour, \
    (rtc.Minutes10 * 10) + rtc.Minutes, \
    (rtc.Seconds10 * 10) + rtc.Seconds);
  Serial.print(buffer);

  sprintf(buffer, "Date(day of month) = %d, Month = %d, " \
    "Day(day of week) = %d, Year = %d", \
    (rtc.Date10 * 10) + rtc.Date, \
    (rtc.Month10 * 10) + rtc.Month, \
    rtc.Day, \
    2000 + (rtc.Year10 * 10) + rtc.Year);
  Serial.println(buffer);

  delay(5000);
}


// --------------------------------------------------------
// DS1302_clock_burst_read
//
// This function reads 8 bytes clock data in burst mode
// from the DS1302.
//
// This function may be called as the first function,
// also the pinMode is set.
//
void DS1302_clock_burst_read( uint8_t *p)
{
  int i;

  _DS1302_start();

  // Instead of the address,
  // the CLOCK_BURST_READ command is issued
  // the I/O-line is released for the data
  _DS1302_togglewrite( DS1302_CLOCK_BURST_READ, true);  

  for (i=0; i<8; i++)
  {
    *p++ = _DS1302_toggleread();
  }
  _DS1302_stop();
}


// --------------------------------------------------------
// DS1302_clock_burst_write
//
// This function writes 8 bytes clock data in burst mode
// to the DS1302.
//
// This function may be called as the first function,
// also the pinMode is set.
//
void DS1302_clock_burst_write( uint8_t *p)
{
  int i;

  _DS1302_start();

  // Instead of the address,
  // the CLOCK_BURST_WRITE command is issued.
  // the I/O-line is not released
  _DS1302_togglewrite( DS1302_CLOCK_BURST_WRITE, false);  

  for (i=0; i<8; i++)
  {
    // the I/O-line is not released
    _DS1302_togglewrite( *p++, false);  
  }
  _DS1302_stop();
}


// --------------------------------------------------------
// DS1302_read
//
// This function reads a byte from the DS1302
// (clock or ram).
//
// The address could be like "0x80" or "0x81",
// the lowest bit is set anyway.
//
// This function may be called as the first function,
// also the pinMode is set.
//
uint8_t DS1302_read(int address)
{
  uint8_t data;

  // set lowest bit (read bit) in address
  bitSet (address, DS1302_READBIT);  

  _DS1302_start();
  // the I/O-line is released for the data
  _DS1302_togglewrite (address, true);  
  data = _DS1302_toggleread ();
  _DS1302_stop();

  return (data);
}


// --------------------------------------------------------
// DS1302_write
//
// This function writes a byte to the DS1302 (clock or ram).
//
// The address could be like "0x80" or "0x81",
// the lowest bit is cleared anyway.
//
// This function may be called as the first function,
// also the pinMode is set.
//
void DS1302_write(int address, uint8_t data)
{
  // clear lowest bit (read bit) in address
  bitClear (address, DS1302_READBIT);  

  _DS1302_start();
  // don't release the I/O-line
  _DS1302_togglewrite (address, false);
  // don't release the I/O-line
  _DS1302_togglewrite (data, false);
  _DS1302_stop();  
}


// --------------------------------------------------------
// _DS1302_start
//
// A helper function to setup the start condition.
//
// I don't use an 'init' function.
// But now the pinMode is set every time.
// That's not a big deal, and it's valid.
void _DS1302_start(void)
{
  digitalWrite (DS1302_CE, LOW); // default, not enabled
  pinMode (DS1302_CE, OUTPUT);  

  digitalWrite (DS1302_SCLK, LOW); // default, clock low
  pinMode (DS1302_SCLK, OUTPUT);

  pinMode (DS1302_IO, OUTPUT);

  digitalWrite (DS1302_CE, HIGH); // start the session
  delayMicroseconds(4);           // tCC = 4us
}


// --------------------------------------------------------
// _DS1302_stop
//
// A helper function to finish the communication.
//
void _DS1302_stop(void)
{
  // Set CE low
  digitalWrite (DS1302_CE, LOW);

  delayMicroseconds(4);           // tCWH = 4us
}


// --------------------------------------------------------
// _DS1302_toggleread
//
// A helper function for reading a byte with bit toggle
//
// This function assumes that the SCLK is still high.
//
uint8_t _DS1302_toggleread(void)
{
  uint8_t i, data;

  data = 0;
  for (i = 0; i <= 7; i++)
  {
    // Issue a clock pulse for the next databit.
    // If the 'togglewrite' function was used before
    // this function, the SCLK is already high.
    digitalWrite (DS1302_SCLK, HIGH);
    delayMicroseconds(1);

    // Clock down, data is ready after some time.
    digitalWrite (DS1302_SCLK, LOW);
    delayMicroseconds(1);        // tCL=1000ns, tCDD=800ns

    // read bit, and set it in place in 'data' variable
    bitWrite (data, i, digitalRead(DS1302_IO));
  }
  return (data);
}


// --------------------------------------------------------
// _DS1302_togglewrite
//
// A helper function for writing a byte with bit toggle
//
// The 'release' parameter is for a read after this write.
// It will release the I/O-line and will keep the SCLK high.
//
void _DS1302_togglewrite(uint8_t data, uint8_t release)
{
  int i;

  for (i = 0; i <= 7; i++)
  {
    // set a bit of the data on the I/O-line
    digitalWrite (DS1302_IO, bitRead(data, i));  
    delayMicroseconds(1);     // tDC = 200ns

    // clock up, data is read by DS1302
    digitalWrite (DS1302_SCLK, HIGH);    
    delayMicroseconds(1);     // tCH = 1000ns, tCDH = 800ns

    if (release && i == 7)
    {
      // If this write is followed by a read,
      // the I/O-line should be released after
      // the last bit, before the clock line is made low.
      // This is according the datasheet.
      // I have seen other programs that don't release
      // the I/O-line at this moment,
      // and that could cause a shortcut spike
      // on the I/O-line.
      pinMode (DS1302_IO, INPUT);
      digitalWrite (DS1302_IO, LOW); // remove any pull-up  
    }
    else
    {
      digitalWrite (DS1302_SCLK, LOW);
      delayMicroseconds(1);       // tCL=1000ns, tCDD=800ns
    }
  }
}