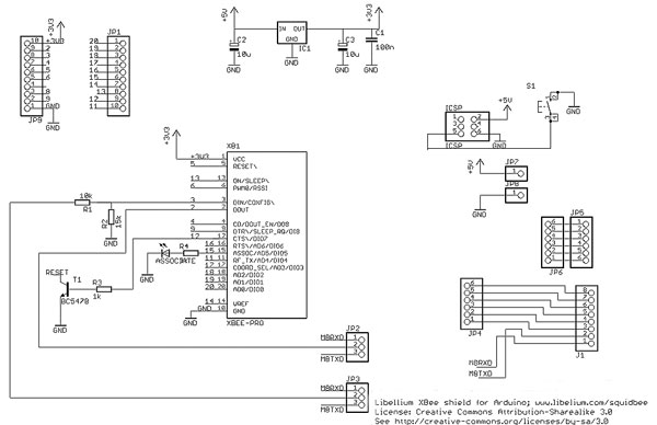
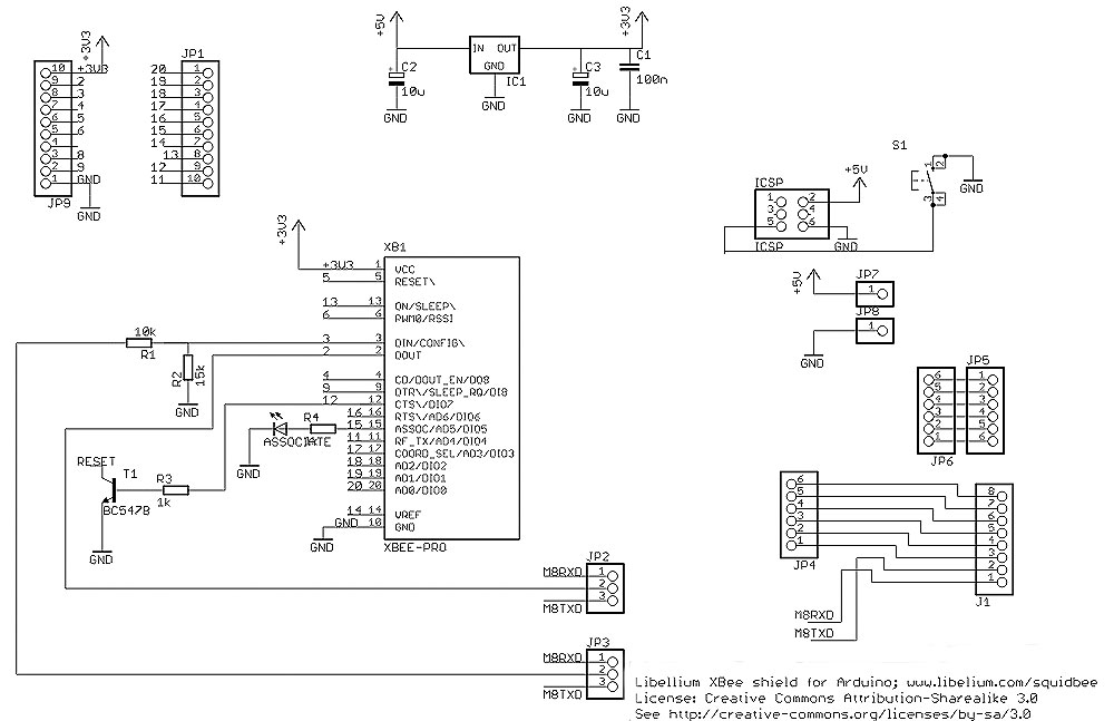
The designs (i.e. the schematics and Eagle PCB files) for the Libelium Xbee shield have been released under a Creative Commons Attribution- ShareAlike 3.0 license. Here are the schematics. Be sure to credit the kind people at Libelium if you reproduce or distribute these!

Related Links: